The
LM2576
LM2576
BOLE
NS TO-220263
In Stock: 88891 pcs
voltage regulator are useful in modern electronic designs. This article delves into the intricacies of the LM2576, a step-down switching regulator known for its 3A output capacity and its innovative integration of safety features such as current limiting and thermal shutdown. Emphasizing its versatility, the regulator supports input voltages up to 60V and streamlines circuit integration by minimizing the need for external components. It enhanced adaptability and advanced protective measures, essential component in various demanding applications, from industrial settings to power-sensitive portable devices. This exploration will also address the LM2576's operation, from basic functionality and pin configuration to its core components and technical considerations, providing a comprehensive overview of its effective role in efficient power management solutions.
Catalog
The
LM2576
LM2576
BOLE
NS TO-220263
In Stock: 88891 pcs
, crafted by Texas Instruments, delivers a 3A output as a step-down switching voltage regulator. It features a stable 52kHz oscillator and a precise 1.23V reference regulator. Designed for high current applications, it also includes circuits for current limiting and thermal shutdown, providing layers of safety and reliability, reflecting the desire for consistent performance under varying conditions.
This regulator simplifies voltage stabilization, reducing reliance on external components. Safety features like current limiting and thermal shutdown enhance reliability. Its design often removes the need for a heatsink, saving space and catering to practical needs in diverse settings—mirroring quest for simplicity and efficiency.
The LM2576 proves its effectiveness in power supply designs demanding strong thermal management and compactness. Its On/Off control pin adds flexibility for power management in dynamic systems. This adaptability appeals to those who prefer innovation over traditional linear regulators, emphasizing creativity in problem-solving.
Replacements and equivalents:
•
CS51411
CS51411
ON
622
In Stock: 1390 pcs
•
LM2575
LM2575
NS
NS TO263220
In Stock: 2612 pcs
•
LM2596
LM2596
BOLE
XINBOLE TO-263-220
In Stock: 88991 pcs
•
LM2940
LM2940
NS
1141
In Stock: 2200 pcs
•
MP2307
MP2307
MPS
1141
In Stock: 2300 pcs
•
LM7805
LM7805
HS
LM7805 HTC TO-220
In Stock: 2390 pcs
Streamlined Circuit Integration
The
LM2576
LM2576
BOLE
NS TO-220263
In Stock: 88891 pcs
voltage regulator eases circuit integration with its design that requires minimal external components. This allows for less complicated designs, resulting in faster prototyping and smoother debugging processes during application development.
Adaptability to Varied Power Sources
With support for input voltages up to 60V, the LM2576 caters to a variety of power sources, enhancing its suitability for diverse projects. This aspect is valued in situations with fluctuating power inputs, underscoring the device's flexibility and durable nature.
Superior Efficiency
By achieving greater efficiency than traditional linear regulators, this device offers notable power conservation and decreased heat production. This translates to extended battery life and stable performance, especially in portable and battery-powered devices, meeting your expectations of consistency.
Robust Protection Features
Equipped with built-in overheating and short-circuit protection, the LM2576 maintains reliability across various conditions. These safety features prevent potential damage during extreme situations, offering assurance in required and delicate applications.
Impact on System Durability
The synergy of high efficiency and comprehensive protection not only shields the equipment but also lessens the frequency and cost of maintenance. These qualities contribute to enhanced system longevity and dependability, influencing choices in industrial settings.

The
LM2576
LM2576
BOLE
NS TO-220263
In Stock: 88891 pcs
voltage regulator, an required piece in power management, boasts a meticulously arranged pin configuration required for its best performance. Grasping each pin's function can greatly boost the efficiency and reliability of electronic systems.
Vin: Input Voltage
This pin accepts the incoming voltage for the regulator’s function. Adding a well-chosen capacitor can mitigate input voltage variations, enhancing stability and durability. You can suggest ceramic capacitors due to their low ESR, skillfully reducing potential voltage surges.
Output: Regulated Voltage Output
This pin delivers a steady, regulated voltage output. The choice of output capacitors plays a role in minimizing voltage ripple, a considerable element in upholding system efficiency. Achieving low ripple usually involves thoughtful output filter design, driven by years of experience and practical testing.
Ground: System Ground Connection
This pin serves as a voltage reference point throughout the circuit, required for precise regulation. Effective grounding methods, such as minimizing ground loops, help avert potential noise interference—a lesson learned from extensive circuit problem-solving.
Feedback: Voltage Regulation Reference
The feedback pin ensures the output voltage remains regulated by contrasting it with a set reference voltage. Precision resistors are normally engaged in this pathway to guarantee accurate feedback and stable performance. Using resistors with high tolerance markedly enhances stability under diverse conditions.
On/Off: Activation
The On/Off pin governs the regulator's activation state. Use this pin for conserving power, disabling the regulator when unnecessary. This understanding is widely embraced as energy efficiency becomes increasingly in design considerations.
Core Components
The
LM2576
LM2576
BOLE
NS TO-220263
In Stock: 88891 pcs
voltage regulator integrates several required elements: an inductor, a diode, and a switching transistor. A sophisticated controller orchestrates these parts, harmonizing them to ensure efficient voltage regulation.
Functionality and Operation
Primarily, the regulator transforms high-frequency pulse currents into a stable voltage output. Through intricate electromagnetic field adjustments, it maintains consistent voltage levels. The controller modulates the transistor's on-off cycles, adapting dynamically to duty cycle changes with subtle precision.
Inductor and Diode Dynamics
The inductor stores energy when the switch is active and releases it when inactive, smoothing the current flow. The diode safeguards the process by directing current properly and preventing reverse flow that could harm components. This interaction drives the regulator's effectiveness.
Controller and Switching Mechanism
The controller in the LM2576 assesses load needs, tailoring the switching mechanism to match. By swiftly toggling the transistor, it remains responsive to load shifts, ensuring steady voltage output. This agility boosts both performance and reliability, fostering a sense of stability in variable conditions.
Efficient component design and layout can notably enhance thermal performance while reducing electromagnetic interference. Thoughtfully positioning components helps optimize heat dissipation, deriving knowledge from extensive testing and iterative improvements.
The journey begins with evaluating whether the input voltage falls within the
LM2576
LM2576
BOLE
NS TO-220263
In Stock: 88891 pcs
's specified range. This step harmonizes performance with protection by preventing potential damage from voltage extremes. Regular inspection in actual applications reduces risk and boosts the system's trustworthiness.
Central to the LM2576's functionality is its application of pulse width modulation (PWM) technology to transform voltage efficiently. PWM intricately varies the switching durations to fine-tune output levels. Its widespread use is attributed to its proficiency in energy conversion and precision in control.
A required element in the voltage regulator circuit is the inductor, required for smoothing output voltage. By holding and releasing energy judiciously, it reduces voltage ripple, ensuring a continuous and stable output. Practical experiences brings out the choice of suitable inductive components tailored to specific needs.
To keep the output voltage at targeted levels, a feedback loop is utilized. This mechanism persistently monitors the output, adjusting the conduction time of the switch tube. Its adaptability to shifts ensures meticulous control, a concept successfully integrated into diverse electronic designs to elevate performance.
The interventions by the feedback loop, combined with PWM's effectiveness, are required for attaining desired outputs. Refining these variables based on empirical evidence from analogous environments not only enhances performance but also prolongs the regulator's lifespan, emphasizing the harmony between theory and practice.

Input Voltage Range
The input voltage range offers a way to gauge the regulator's adaptability to various power sources. Recognizing this range helps prevent potential damage while promoting optimal performance. Choosing a power source within this parameter ensures consistent power delivery, supporting the stability of delicate electronic components.
Output Voltage and Current
Output voltage and current specifications are instrumental in addressing the demands of particular applications. Effective power management requires precise adjustments. By aligning load requirements with these parameters, systems can achieve remarkable efficiency and reliability.
Switching Frequency
Switching frequency plays a role in determining the efficiency and footprint of external components. Carefully balance these aspects to fulfill specific design objectives. Higher frequencies can allow for smaller inductors, though they may complicate designs. This consideration are required when dealing with space limitations, such as in compact devices.
Thermal Management
Managing heat can ensure consistent regulator function and prolong its lifetime. Techniques such as integrating heat sinks and ensuring adequate airflow are required practices. Such strategies help maintain operation within safe temperature thresholds, averting thermal shutdown or failure.
Efficiency Considerations
Efficiency influences overall device functionality, impacting energy usage. Monitoring and fine-tuning can yield energy savings. Utilizing low-loss components and optimizing circuit layouts are standard approaches to boost efficiency. These strategies are advantageous in battery-powered devices where conserving energy holds high significance.
Each parameter shapes how effectively the
LM2576
LM2576
BOLE
NS TO-220263
In Stock: 88891 pcs
operates, tailoring its role for various technical tasks. A comprehensive grasp of these factors enables thoughtful design and implementation of power supply strategies that align with distinct technical and operational aspirations.
Schottky Diodes
Schottky diodes are prized for their swift switching abilities and minimal voltage drop, features that enhance power conversion efficiency in the
LM2576
LM2576
BOLE
NS TO-220263
In Stock: 88891 pcs
. They adeptly manage rapid changes, reducing energy loss and boosting system efficiency. Selecting a diode with the right current rating and thermal management is required for enduring performance, often necessitating thoughtful thermal design and meticulous component validation.
Inductor Choices
The inductor defines the LM2576's output current capacity and operates in both continuous and discontinuous modes. Its selection influences not just efficiency, but also current ripple and electromagnetic interference. Factors such as core material, saturation current, and physical size should be considered to optimize performance, with evaluation in diverse operational situations to ensure stability and efficiency.
Significance of Low ESR Capacitors
Low ESR capacitors, such as aluminum or tantalum, are preferred for minimizing input voltage ripple and ensuring steady power delivery. While ceramic capacitors might introduce high-frequency resonances and increase noise, tuning ESR values can counteract such effects, ensuring effective input bypass and loss minimization.
Ensuring Output Capacitor Stability
Output capacitors play a role in loop stability and reducing voltage fluctuations. Balancing ESR can help to avoid instability. Combining different capacitor types, like tantalum or electrolytic with ceramics, can enhance performance across various loads and conditions. Iterative testing and fine-tuning are advised to meet specific application demands.
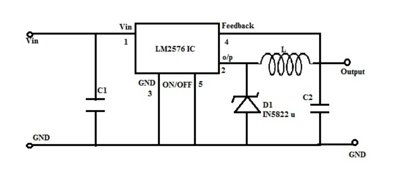
The illustration emphasize a configuration suited for a 5V, 3A switching regulator utilizing elements like the
LM2576
LM2576
BOLE
NS TO-220263
In Stock: 88891 pcs
, IN5822 diodes, and capacitors. Tailored for digital power applications, its suitability for automotive sectors lies in its ability to handle an input range of 7V to 40V. This setup offers adaptable output levels from 1.23V to 37V, while its design strategically limits thermal production.

LM2576 Voltage Regulator
As the central element of this circuit, the LM2576 is renowned for both reliability and efficient switching. It offers smooth voltage regulation with minimal power loss. Its structure gracefully accommodates diverse voltage needs, supporting stable performance across various devices.
IN5822 Diodes
These diodes play a protective role by blocking reverse current flow, which sustains the circuit’s integrity amidst varying electrical conditions. Often preferred for their low forward voltage drop, they enhance the system's efficiency.
Capacitors
Capacitors are instrumental in this setup for stabilizing output voltage and reducing voltage spikes. This stabilization is beneficial in environments with inconsistent power inputs, such as automotive systems.
1. What is the LM2576 current regulator?
The LM2576 is a sophisticated monolithic IC, crafted for step-down (buck) regulators. It supports a 3A current, providing steady voltage regulation and showcasing efficiency across a variety of uses.
2. What is the use of LM2576?
The LM2576 primarily acts as the core component in buck switching regulators. It effectively handles loads up to 3A, maintaining regulatory accuracy. Experiences have shown its resilience in power-sensitive setups.
3. What is the difference between LM2596 and LM2576?
The LM2596 offers a higher operating frequency compared to the LM2576, which allows for the use of smaller inductors and capacitors. It also includes a low-power idle mode, advantageous for designs focusing on power efficiency.
4. What power supply uses LM2576?
The adjustable variant, LM2576-Adj, can manage input voltages up to 40V. It plays a required role in maintaining circuit stability, suitable for applications like amplifiers, by precisely managing input voltage levels.
5. How does LM2576 work?
As a buck converter, the LM2576 serves as a pre-regulator to linear regulators. It skillfully handles voltage reduction in circuits, ensuring efficient energy conversion, and is effective in situations demanding consistent voltage outputs.
Share This Post